Caio Ferreira e Emmanuel Chaves • 02 mai 2025
Como Sistemas BESS com Inversores GFM Estão Transformando a Operação de Microrredes
Descubra os desafios e cuidados na proteção de microrredes com sistemas BESS e inversores GFM. Correntes limitadas, faltas de alta impedância e operação ilhada exigem atenção especial no projeto e na escolha dos equipamentos.
A evolução das microrredes é uma tendência irreversível no setor elétrico. Impulsionadas pela crescente inserção de fontes renováveis, armazenamento de energia e consumidores mais ativos, essas redes exigem soluções que garantam estabilidade mesmo em modo isolado. Nesse cenário, os sistemas de armazenamento por baterias (BESS), aliados aos inversores Grid Forming (GFM), estão ganhando protagonismo.
Mas com essa nova topologia de rede, surgem desafios técnicos importantes, especialmente relacionados à proteção elétrica em sistemas operando sem conexão com a concessionária.
O Papel dos Sistemas BESS e dos Inversores GFM
Os sistemas BESS são compostos por baterias, inversores e sistemas de controle e monitoramento. Sua aplicação tem como objetivo:
Suprir cargas críticas em falhas da rede;
Estabilizar frequência e tensão;
Armazenar o excedente de geração renovável;
Permitir a operação ilhada de microrredes;
Os inversores GFM diferenciam-se dos tradicionais Grid Following (GFL) por sua capacidade de formar a rede elétrica, criando uma referência autônoma de frequência e tensão. São eles que tornam viável a operação isolada de uma microrrede.
Correntes de Sequência e Proteção: Um Novo Paradigma
Em sistemas convencionais, especialmente com a presença da concessionária, a ocorrência de faltas à terra gera correntes de sequência zero (I0) e negativa (I2) significativas. Essas correntes são fundamentais para a atuação dos relés de proteção, especificamente nas funções de sobrecorrente, direcionalidade e proteções sensíveis.
Contudo, em microrredes isoladas baseadas em BESS com inversores GFM, o cenário é outro:
Mesmo que o sistema esteja aterrado (como quando utilizados transformadores de aterramento), as correntes de sequência zero e negativa podem ser inexistentes ou extremamente pequenas (da ordem de µA) — especialmente em faltas de alta impedância à terra.
Em alguns casos, as correntes de sequência são menores que as correntes capacitivas, e por sua vez as correntes de sequência negativa são menores que o próprio desbalanço natural das cargas do sistema, o que compromete a atuação das proteções convencionais. O sistema aparenta estar aterrado, mas, na prática, não fornece as referências necessárias para a proteção.
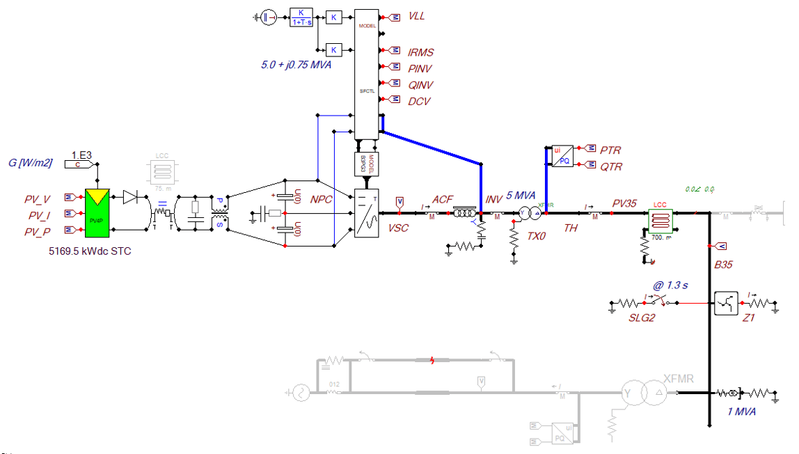
Esse fenômeno foi verificado por meio de simulações no software ATP, em que se observou que:
Em modo paralelo com a rede, o sistema permite a circulação de corrente de sequência zero, facilitando a detecção de faltas.


Em modo ilhado com inversor GFM, mesmo com aterramento adequado, as correntes 3I0 são desprezíveis, inviabilizando proteções convencionais.


Considerações Fundamentais para Projetos BESS Ilhados
Antes de iniciar um projeto de BESS com operação isolada, é indispensável avaliar:
Quando o fabricante afirma que basta adicionar um transformador de aterramento em média tensão, ele parte do princípio de que o sistema GFM será capaz de injetar corrente de sequência negativa (I2) com magnitude suficiente para garantir que, em qualquer ponto da rede onde ocorra uma falta fase-terra, a corrente que passará pelo ponto zero do transformador de aterramento seja maior que as correntes capacitivas naturais da rede. No entanto, em faltas por arco elétrico (que são a maioria), a impedância é tão alta que a corrente de falta pode ser menor que as capacitivas, o que torna o sistema praticamente aterrado apenas pelas capacitâncias, mesmo com o transformador de aterramento instalado.
A corrente de sequência positiva injetada por inversores GFM em um curto é da ordem de 1 a 1,3 pu, variando por fabricante. Já a corrente de sequência negativa é muitas vezes não informada, e também é limitada para evitar sobreaquecimento do controle de potência (tiristores). E se apenas uma parte do BESS estiver operando, a corrente total será ainda menor, dificultando mais a detecção da falta.
O fornecimento de corrente de sequência negativa é limitado não apenas em magnitude, mas também em duração. Em uma falta à terra — uma condição desbalanceada — podem surgir correntes de sequência negativa. No entanto, essas correntes aparecem essencialmente como parte do efeito transitório da falta e, por isso, não se mantêm por tempo suficiente para garantir a atuação eficaz das proteções. Em uma falta assimétrica, o tempo de atuação dos relés pode variar entre 3 a 5 ciclos, mais o tempo de abertura do disjuntor (cerca de 83 ms). A injeção de corrente I2, além de limitada, pode não ser sustentada por tempo suficiente para sensibilizar a proteção, tornando ineficaz o esquema convencional.
Conclusão
A transição para um sistema energético descentralizado é inevitável. Mas, com ela, surge a responsabilidade de redesenhar as estratégias de proteção. Em um sistema BESS ilhado, não basta aterrá-lo: é preciso garantir que os inversores consigam injetar as componentes de corrente necessárias para que as proteções atuem corretamente.
Na Sensorless, estamos preparados para enfrentar desafios como esses relacionados aos sistemas BESS, oferecendo:
Estudos e simulações de microrredes com BESS;
Análise de proteção e coordenação seletiva;
Apoio na escolha e configuração de inversores e transformadores.
E lembre-se! Pensou em energia, pensou Sensorless!
Conheça mais
As novidades e assuntos mais importantes sobre energia renovável você encontra aqui.
Caio Ferreira, Leandro Perdigão e Emmanuel Chaves • 11 jun 2024
Alto Nível de Curto-circuito Monofásico e Ausência de Resistência de Aterramento no Transformador Vamos abordar um tema técnico crucial para a área de sistemas de potência: o alto nível de curto-circuito monofásico em transformadores sem resistência de aterramento. Exploraremos os impactos no sistema elétrico e as estratégias para mitigar esses efeitos. Estudos de Casos
Caio Ferreira, Leandro Perdigão e Emmanuel Chaves • 16 ago 2023
Solicitação de Pagamento Indevido pelas Distribuidoras de Energia As distribuidoras desempenham um papel importante no fornecimento de eletricidade aos consumidores, garantindo o funcionamento de setores essenciais da sociedade. No entanto, em algumas situações, surgem controvérsias relacionadas a cobranças indevidas por parte dessas empresas. Geração
Caio Ferreira, Leandro Perdigão e Emmanuel Chaves • 19 dez 2023
Corrente de Magnetização na Energização de Transformadores Entenda o que é a corrente de Inrush durante a energização de transformadores. Exploraremos sua origem na saturação do núcleo e destacaremos estratégias como pré-magnetização, temporização e núcleos especiais para mitigar seus impactos, assegurando operações eficientes e seguras. Estudos de CasosComece a contribuir para um futuro mais sustentável!
Quer ter acesso às soluções personalizadas de energia solar e engenharia elétrica que a Sensorless pode oferecer para a sua casa ou empresa?